CALOMAT6熱導氣體分析儀
- 品牌:SIEMENS
- 型號:CALOMAT6
- 廠家:西門子
一、CALOMAT 6熱導分析儀介紹
CALOMAT 6 型熱導率氣體分析儀主要用于二元氣體或準二元混合氣體中氫氣或氦氣的定量分析。如果某些氣體組分(如Ar, CO2, CH4,NH3)的熱導率同其它組分的熱導率差別顯著的話,CALOMAT 6 型熱導氣體分析儀也可用于測定樣品中這些氣體組分的濃度。
二、CALOMAT 6熱導分析儀的特點
u 四個可自由設定的量程,均可設置零點遷移;所有量程都是線性的
u 最小量程可達1% H2 (強制置零時為95%~100% H2)
u 量程范圍自動識別
u 模擬隔離輸出信號0/2/4 ~20 mA
u 自動量程切換或手動切換,也可遠程切換
u 標定過程中可以存儲過程測量值
u 時間常數在較寬范圍內可選;即,分析儀的響應時間可與應用相匹配
u 響應時間短
u 長時間漂移小
u 可選擇多達6 個測量點(可參數化)
u 可識別測量量程
u 可識別測量點
u 用外部壓力傳感器來校正樣氣壓力波動
u 自動量程標定參數化
u 基于NAMUR 的菜單操作(交互模式)簡單容易
u 兩級獨立密碼設置可避免無意或無相關權限人員的輸入
u 使用包含操作員提示的數字薄膜鍵盤,操作簡單
三、CALOMAT 6熱導分析儀的應用
u 純氣體監測(Ar 中0~1% 的H2)
u 保護氣監測(N2 中 0~2% 的He)
u 氫氣監測(Ar 中0~25% 的 H2)
u 合成氣體檢測(N2 中0~25% 的H2)
u 氣體生產
ü N2 中 0~2% 的He
ü O2 中0~10% 的Ar
u 化工應用:
ü NH3 中 0~2% H2
ü N2 中50~70% H2
u 木材氣化(CO/CO2/CH4 中 0~30% H2)
u 高爐氣體(CO/CO2/CH4/N2 中 0~5% H2)
u 酸性轉爐氣(CO/CO2 中含有0~20% H2)
u 氫冷發電機的設備監測:
ü 空氣中0~100% CO2/Ar
ü CO2/Ar 中0~100% H2
ü 空氣中80~100% H2
u 防爆機型用于危險區域分析易燃和非易燃氣體或蒸汽
四、CALOMAT 6熱導分析儀工作方式
測量原理基于不同氣體具有不同的熱導率。CALOMAT 6 型傳感器是采用超微技術制造的一種硅片。硅片帶有測量膜和薄膜電阻。該薄膜電阻被調節于恒定溫度,這就要求有與樣氣熱導率相關的電流密度,然后,這個數據經過處理后用來計算氣體的濃度。傳感器放置在一個絕熱不銹鋼腔室中以防止外界環境溫度變化對測量的影響。為避免樣氣波動的影響,傳感器沒有放置于主氣路中。

五、CALOMAT 6熱導分析儀技術數據
l 概述 ( 根據DIN EN 61207 /IEC 1207,所有數據均得自于二元混合氣N2 中的H2 )
l 量程4 個量程,可內部或外部切換,也可使用自動量程
l 最大量程:100% H2
l 零點漂移時測量量程在0~100%濃度范圍任一點均可設為零點,最小可能的測量量程為5% H2
l 操作位置前面板垂直安裝
l 標準符合CE 認證EN 61326/A1,EN61010/1
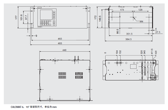
l 設計,機箱防護等級IP 20,依據EN60529 標準,重量大約10kg
l 電氣特性EMC 抗干擾(電磁兼容性)(所有信號電纜均必須屏蔽;有強電磁干擾時會產生高達最小量程的4% 的變化)
l 符合NAMUR NE21 (08/98) 標準電氣安全符合EN 61010-1,過壓級別 II
l 電源(參見銘牌) AC 100 -10 % ~120 V +10 %,47 ~ 63 Hz 或AC 200 -10 % ~240V +10 %,47~63 Hz
l 功率大約20 VA
l 保險100 ... 120 V: 1.0T/250,200 ... 240 V: 0.63T/250
l 樣氣壓力80 ... 110 kPa ( 絕壓)
l 樣氣流量30 ... 90 l/h (0.5 ... 1.5 l/min)
l 樣氣溫度0 ... 50 °C
l 測量室溫度 大約 60 °C
l 樣氣濕度 < 90% 相對濕度
l 響應時間
l 預熱時間<30 分鐘(兩小時以后達到最佳精度)
l 響應時間 (T90)<5 秒
l 輸出信號波動< 銘牌上最小量程的± 0.75%,時間常數為1s (此時為? =0.25%)
l 零點漂移 < 銘牌上最小量程的1%/ 周
l 測量值漂移< 銘牌上最小量程的1%/ 周
l 重復性< 當前量程的1%
l 最小檢測限當前量程的1%
l 線性誤差< 當前量程的±1%
l 模擬量輸出0/2/4~20 mA,隔離輸出,最大負載:750兆歐
l 繼電器輸出6 個,轉換觸點,功能自由選擇,如用于量程確定,負載容量;24V AC/DC/ 1A,隔離輸出
l 模擬量輸入2 個輸入, 0/2/4-20 mA,用于外部傳感器和殘余氣體的干擾校正(交叉干擾校正)
l 開關量輸入6 個輸入,24V,隔離輸出,功能自由選擇,如用于量程切換串口RS 485
l 選項自動標定帶8 個開關量輸入和8個繼電器輸出以以及PROFIBUS PA 或PROFIBUS DP
六、CALOMAT 6熱導分析儀相關圖片

CALOMAT 6分析儀


- ULTRAMAT/OXYMAT6紅外氣體分析儀2023-04-06
- OXYMAT61氧含量在線分析儀2016-08-19
- 西門子OXYMAT6型氧氣分析儀2016-04-04
- CALOMAT6E/F/Ex熱導系列分析儀2016-03-29
- LDS6激光氣體分析儀2016-03-29
- ULTRAMAT6紅外線氣體分析儀2016-03-29
- ULTRAMAT23多組份氣體分析儀2016-03-29
- SITRANS SL 原位激光分析儀2016-03-29
- 高爐煤氣OXYMAT6氧含量分析儀2016-03-29
- 轉爐煤氣OXYMAT6氧含量分析儀2016-03-29
- 煙氣排放連續監測系統2023-05-06
- 氨逃逸在線監測設備2023-05-06
- 抽取式超低粉塵儀2023-05-06
- 環境空氣非甲烷總烴連續監測系統2023-05-06
- 污染源VOCs監測系統2023-05-06
- 二氧化碳(CO2)排放連續監測系統2023-05-06
- 冶金行業在線氣體分析系統2023-05-06
- 廢氣非甲烷總烴在線監測系統2022-04-06
- 防爆型煙氣連續排放監測系統2023-05-06
- 乙炔中氧氣含量分析系統2023-05-06


當前位置:

需求溝通傾聽客戶需求,了解用戶使用環境和現場工況
方案設計根據現場實際工況,針對性出具解決方案
合同簽訂技術和商務規范確認,簽訂合作協議
產品制作選擇最優質的元器件,嚴格按照技術協議
調試安裝現場規范安裝,靜態動態調試,分析儀運行
售后服務后續維護,持續跟進,終身維修


在線咨詢1
咨詢熱線